一、概述
DDB系列多點干油泵適用于潤滑頻率極低、潤滑點不超過50點,公稱壓力為10MPa的多線干油集中潤滑系統中。直接或通過單線片式給油器向各潤滑點供送潤滑脂的裝置,特別適用于破碎機、鍛壓機床、碼頭行吊,印刷機等小型的單機設備。
|
|
|
二、技術參數
型號 |
公稱壓力MPa |
每口給油量ml/次 |
給油次數/min |
貯油器容積l |
電動機功率kW |
重量kg |
DDB-10 |
10 |
10 |
0-0.2 |
13 |
7 |
0.37 |
19 |
DDB-18 |
18 |
23 |
0.75 |
75 |
DDB-36 |
36 |
80 |
使用介質為錐入度不低于265(25℃,150g)1/10mm 的潤滑脂(NLGI0#~2#)。工作環境溫度0~40℃。 |
|
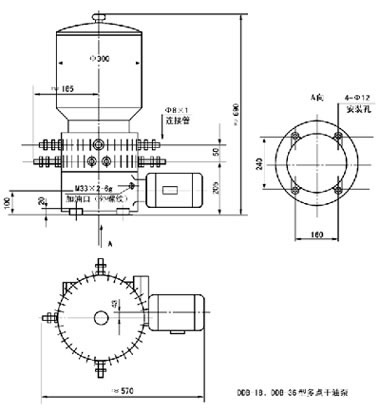
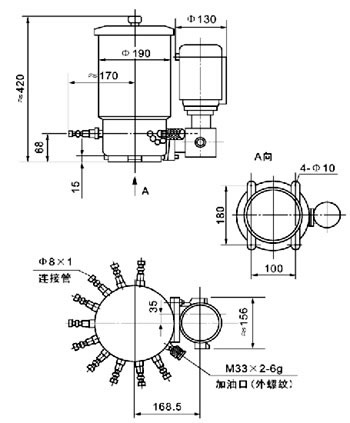
三、 外形尺寸 |
|
|
DDB-10多點干油泵 DDB-18、DDB-36多點干油泵 |
|
四、型號標注說明 |
 |
|
五、使用說明 |
1、該系列多點干油泵應安裝在環境溫度合適,灰塵少,便于補脂、調整、檢查、維護保養等都方便的場合。
2、DDB系列多點干油泵使用前先向一級減速箱內加入HL-20 齒輪油至油標規定液面。
3、向干油泵貯油器內補脂必須使用SJB-D60型手動加油泵或DJB-200型電動加油泵從貯油器的加油口加入,注意在貯油器內無潤滑脂時嚴禁啟動電機運轉。
4、按貯油桶壁上旋向牌規定的旋向進行電機接線,不得反轉。
5、加油口的過濾網精度不低于0.2mm,應定期清洗。
6、干油泵應經常保持清潔,嚴禁揭蓋補脂以免臟物進入泵體內,影響正常工作。 |
|