一、概述
該型手動潤滑泵是一種由人力扳動手柄,排出潤滑脂的小型單線潤滑泵,可直接安裝于機器的壁板或機架上,直接與單線分配器連接組成單線手動集中潤滑系統。
適用于潤滑頻率較低(一般給油間隔為4小時以上),配管(DN15)長度不超過50米,潤滑點不超過100點的單機小型設備上,作為單線集中潤滑供送潤滑脂的輸送裝置。
二、技術參數
|
 |
|
形式 |
公稱壓力Mpa |
給油量ml/循環 |
貯油容量L |
重量kg |
適用介質 |
KMPS-221 |
21 |
4.5 |
2 |
16 |
潤滑脂
NLGO0#-1# |
KMPS-231 |
3 |
20 |
KMPS-261 |
6 |
23 |
KMPS-221L |
10 |
4.5 |
2 |
16 |
潤滑油 |
|
|
三、工作原理 |
|
手動潤滑泵是借人工擺動手把,通過齒輪帶動齒條活塞往復運動實現向外供油的,當活塞處于圖示極限位置時,潤滑脂通過吸入口吸入并充滿活塞的右腔,當活塞向右移動時,被吸入的潤滑脂在油壓的作用下頂開單向閥壓送至出口向外排出,當系統中主分配器的一計量油口返回至回油指示器的油量達到3.2mL時,指示桿全部伸出,證明系統所有潤滑點已得到所需的潤滑油量,此時停止操作手把并把指示桿向內壓進,為下循環準備,指示器內的潤滑脂經單向閥返回貯油桶內。
|
|
|
四、操作方法
1、將回油指示器的指示桿推進。
2、擺動手柄前后運動,壓力表指針波動變化,證明系統分配器在進行給油動作。
3、回油指示器的指示桿全部伸出,證明系統分配器已完成一個給油潤滑循環。
4、將回油指示器的指示桿推進,為下一個循環作準備。
|
五、型號說明 |
 |
|
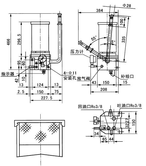
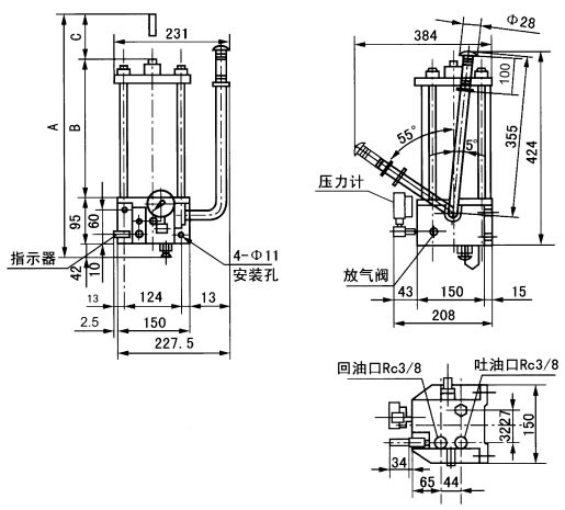
六、外形尺寸 |
 |
 |
六、使用說明
1、手動潤滑泵應垂直安裝,泵的上方及周圍要留有指示桿上升及補脂操作的空間。需在室外或環境惡劣的場合安裝時,應將泵置于防護罩內。
2、貯油器內無潤滑脂時,不許操縱手柄,至下油位應及時補脂。
3、向貯油器內補脂,必須使用手動或電動補脂泵從補脂口充填。
4、安全閥出廠已調至公稱壓力,無故不許隨意調節。
5、泵上回油指示器的作用是操作者通過觀察指示器活塞指示桿的運動行程,就可知道潤滑系統的供油狀況。使用時,先計算好各潤滑部位所需的給油量,配置分配器,并把主分配器上多設的一個出油口與手動潤滑泵的回油口接通,使潤滑脂返回到指示器中,如返回的油量累計達到3.28mL,則指示器的活塞指示桿全部伸出,表示各潤滑點已根據需要完成一個周期的給油,應停止供油并把回油指示器的指示桿推進。 |
|
七、常見故障處理 |
故障現象 |
故障原因 |
排除方法 |
泵的輸出壓力升不上去 |
1.壓力表損壞
2.貯油器和配管里進入空氣
3.安全閥低壓溢流
4.使用時間很長,柱塞與套過度磨損
5.單向閥失靈 |
1.更換壓力表
2.打開排氣閥排氣
3.調整安全閥溢流壓力
4.更換零件
5.清洗單向閥,更換彈簧 |
泵的輸出壓力急劇上升 |
1.管路阻塞
2.主分配器動作不良 |
1.檢查管路
2.觀察分配器動作 |
|
|