一、使用條件 |
Y型系列過濾器是石油、化工等輸送管線上必不可少的設備,具有結構緊湊,使用方便,過濾能力大,壓力損失小,安全可靠,價格低廉等優點。本產品規格齊全,適用性強,若將它安裝在泵的入口或系統管線的有關部位,可提高泵及設備的使用壽命,又能保證整個系統安全穩定的運行。
過濾器是從流體中分離固體顆粒的過程,通常在壓差推動下,迫使流、固相混合物通過過濾介質使固體顆粒截留于介質上,達到使流體和固體互相分離的功能。
|
|
|
二、技術參數及外形尺寸 |
YZ- Ⅰ型(4MPa)
 |
公稱直徑DN |
D0 |
L |
H |
管塞螺紋N |
15 |
Rc1/2″ |
120 |
160 |
ZG1/4″ |
20 |
Rc3/4″ |
130 |
170 |
ZG1/4″ |
25 |
Rc1″ |
140 |
175 |
ZG1/4″ |
32 |
Rc1 1/4″ |
170 |
185 |
ZG1/4″ |
40 |
Rc1 1/2″ |
190 |
195 |
ZG1/4″ |
50 |
Rc2″ |
220 |
210 |
ZG3/8″ |
YZ-Ⅰ型為整體鑄造螺紋連接式過濾器(DN15~50,PN≤4.0MPa) |
|
YZ- Ⅱ型(10MPa)
 |
公稱直徑DN |
D0 |
L |
H |
管塞螺紋N |
15 |
21.8/18.5 |
120 |
170 |
ZG1/4″ |
20 |
27.4/25.5 |
130 |
180 |
ZG1/4″ |
25 |
34.2/32.5 |
140 |
185 |
ZG1/4″ |
32 |
42.9/38.5 |
170 |
210 |
ZG1/4″ |
40 |
48.8/48.5 |
190 |
220 |
ZG1/4″ |
YZ-Ⅱ型為整體鑄造承插焊連接式過濾器(DN15~40,PN≤10.0MPa)
|
|
Y- Ⅰ型(5MPa)
 |
型 號 |
公稱直徑DN |
公稱壓力PN |
L |
H |
管塞螺紋N |
Y15-I |
15 |
|
260 |
180 |
ZG1/4″ |
Y20-I |
20 |
|
270 |
190 |
ZG1/4″ |
Y25-I |
25 |
≤5.0MPa |
270 |
190 |
ZG1/4″ |
Y32-I |
32 |
|
280 |
230 |
ZG1/4″ |
Y40-I |
40 |
|
280 |
230 |
ZG1/4″ |
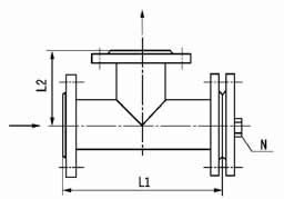
Y-Ⅰ型為焊接型法蘭連接式過濾器(DN15~40,PN≤5.0MPa)
|
|
Y-Ⅱ型(5MPa)
 |
公稱直徑DN |
L |
H |
管塞螺紋N |
50 |
290 |
245 |
ZG3/8" |
65 |
320 |
280 |
ZG3/8" |
80 |
350 |
315 |
ZG3/8" |
100 |
425 |
360 |
ZG3/8" |
150 |
540 |
460 |
ZG3/4" |
200 |
700 |
540 |
ZG3/4" |
250 |
800 |
660 |
M20×1.5 |
300 |
950 |
750 |
M20×1.5 |
350 |
1050 |
845 |
M20×1.5 |
400 |
1250 |
920 |
M20×1.5 |
Y-Ⅱ型焊接型法蘭連接式過濾器
|
|
Y-Ⅲ型(5MPa)
 |
公稱直徑DN |
L |
H |
管塞螺紋N |
80 |
330 |
150 |
ZG3/8" |
100 |
360 |
160 |
ZG3/8" |
150 |
440 |
200 |
ZG3/4" |
200 |
540 |
230 |
ZG3/4" |
250 |
600 |
270 |
M20×1.5 |
300 |
680 |
300 |
M20×1.5 |
350 |
750 |
340 |
M20×1.5 |
400 |
850 |
380 |
M20×1.5 |
Y-Ⅲ型焊接型法蘭連接式過濾器
|
|
三、型號標注說明 |
|
四、工作原理
Y-Ⅰ型、Y-Ⅱ型,它們是由主管和支管按一定角度焊接而成,當液體進入置有相應規格濾網的濾筒后,其微小雜質濾至支管底部,而濾液則由過濾器出口排出。
Y-Ⅲ型它安裝在管線轉彎處,當流體進入濾筒后,濾液能轉過90°從出口排出。清洗時,旋開支管底部的旋塞或拆卸開板即可。
五、濾網規格及各部分材質 |
濾 網 規 格 |
目數/英寸 |
20 |
30 |
40 |
60 |
80 |
100 |
絲徑(mm) |
0.417 |
0.315 |
0.213 |
0.122 |
0.102 |
0.081 |
凈孔徑(mm) |
0.853 |
0.532 |
0.422 |
0.301 |
0.216 |
0.173 |
有效面積% |
45 |
40 |
45 |
51 |
47 |
46 |
|