一、使用條件 |
YXQ型油流發訊器用于稀油潤滑系統。通過它可直觀地觀察到油流流動狀況并可通過其發訊裝置發出油量不足或斷流信號,從而實現遠距離監視或控制,適用介質為粘度等級N22~N460的潤滑油。
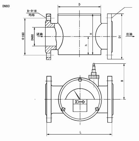
通徑DN10~50為螺紋連接,DN80為法蘭連接。公稱壓力為0.4MPa
|
 |
|
二、技術參數 |
型號 |
公稱通徑
DN |
公稱壓力
MPa |
連接螺紋
d |
L |
D |
H |
h |
B |
D1 |
S |
重量
kg |
YXQ-10 |
10 |
0.4 |
G3/8" |
136 |
80 |
71 |
30 |
75 |
47.3 |
41 |
2.1 |
YXQ-15 |
15 |
0.4 |
G1/2" |
136 |
80 |
71 |
30 |
75 |
47.3 |
41 |
2.1 |
YXQ-20 |
20 |
0.4 |
G3/4" |
136 |
80 |
71 |
30 |
75 |
52 |
47 |
3.5 |
YXQ-25 |
25 |
0.4 |
G1" |
160 |
100 |
96 |
35 |
85 |
60 |
52 |
3.8 |
YXQ-32 |
32 |
0.4 |
G1 1/4" |
160 |
100 |
101 |
40 |
85 |
66 |
58 |
4.2 |
YXQ-40 |
40 |
0.4 |
G1 1/2" |
190 |
110 |
101 |
45 |
90 |
76 |
66 |
4.5 |
YXQ-50 |
50 |
0.4 |
G2" |
200 |
110 |
112 |
50 |
90 |
92 |
80 |
4.8 |
YXQ-80 |
80 |
0.4 |
法蘭DN80 |
200 |
170 |
190 |
80 |
~140 |
Φ200 |
Φ200 |
~9.8 |
|
三、外形尺寸 |
|
四、型號說明 |
|
|
五、電氣參數 |
|
DN10~50、80 |
開關型式 |
交流二線制90~250V |
直流二線制10~30V |
直流三線制6~30V(NPN型) |
直流三線制6~30V(PNP型) |
應用場合 |
帶動交流線圈、交流信號燈等 |
帶動直流線圈、直流信號燈等 |
輸入PLC(輸入模塊為NPN型) |
輸入PLC(輸入模塊為PNP型) |
輸出形式 |
常開 |
常開 |
常開 |
常開 |
輸出電流 |
3~100mA |
5~40mA |
0~200mA |
0~200mA |
漏電流 |
1r≤2mA |
1r≤0.8mA |
1r≤0.4mA |
1r≤0.4mA |
開關壓降 |
Ud≤3V |
Ud≤3V |
Ud≤0.1Vcc |
Ud≤0.1Vcc |
接線圖 |
|
|
|
|
|
六、使用注意事項
1、油流方向與油流發訊器指示方向應相同。
2、開關必須通過負載后再接至電源,以免造成開關損壞。
3、輸出形式如需常閉或輸出電流有特殊要求在訂貨時應注明;若不注明接近開關型式,則配置PNP型直流三線型。 |